海震介绍
经营理念
合作伙伴
SMC
KOGANEI
TSUBAKI
IAI
PIAB
PROFACE
NBK
ITEM
爱安特 FA 零件
NB
助力机械手
KHK
Engtegris
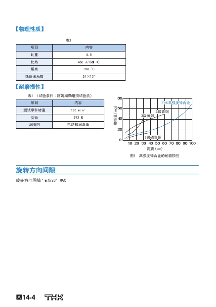
THK
海震产品系列
首页 > 产品中心 > 海震介绍
梯形花键
产品详细资料,请就近联系海震各办事处工程师索取,或拨打咨询热线 400-000-6364。